Die Graupner 6014 als Uboot Fernsteuerung
zuletzt überarbeitet am 22.11.2019

Es ist ja nun bekannt, dass eine normal Fernsteuerung wie geliefert selten den Ansprüchen für ein bestimmtes Modell gerecht wird. Schon gar nicht für die ganz unterschiedlichen Funktionen in einem Uboot. Ich habe mir darum einige Gedanken dazu gemacht wie ich meine Uboote zukünftig steuern möchte, und habe dazu passend eine Graupner 6014 auf meine Bedürfnisse dahingehend umgebaut. Die Problematik derzeit nicht mehr lieferbarer 40 MHz Anlagen und Receiver kann ich noch verschmerzen, da ich 3 Corona Empfäger und auch noch ein paar Graupner Empfänger mein eigen nennen kann.
Zur Steuerung meiner Uboote brauche ich keine Kreuzknüppel, sondern jede Menge Potentiometer und Schalter. Von daher habe ich mich für die folgende Konfiguration entschieden, welche die kommenden Uboote Shinkai 6500 und Jialong, sowie das vorhandene Gato für (fast) jede Steuersituation das passende Mittel bereit hält. Links ein Potentiometer mit aufgesetztem Steuerrad für die normale rechts / links Funktion, ohne Feineinstellung. In der Mitte der 6014 ist das Panel komplett rausgeflogen, und wurde durch 4 Schiebepotentiometer senkrecht, und darüber eines waagerecht ersetzt. somit bleiben die 2 kleinen Modulplätze oben frei, und können später für weitere Umbauten oder Module genutzt werden. Der rechte Kreuzknüppel ist auch gleich rausgeflogen, und wird erst einmal durch eine Blindplatte ersetzt.
Folgende Belegung des Senders habe ich erst einmal wie folgt von den Funktionen des Gato und der kommenden Shinkai und Jialong abgeleitet:
Layout des Steuerrades:
FUNKTION
STEUERELEMENT
ANORDNUNG
BEMERKUNG
1. Ruder
Poti mit Steuerrad
6014 Links
2. Fahrtsteller
Schiebepoentiometer senkrecht
6014 Mitte 1. von rechts
Betrifft den Hauptantrieb vorwärts / rückwärts
3. Vordere Tiefenruder klappen
Schiebepoentiometer senkrecht
6014 Mitte 1. von links
An / Ausklappen der vorderen Tiefenruder beim Gato
4. Tauchen / Lenzen
Schiebepoentiometer senkrecht
6014 Mitte 2. von rechts
Steuerung der Pumpe über Fahrtsteller
5. Einstellung Tiefe
Schiebepoentiometer senkrecht
6014 Mitte 2. von links
Tiefeneinstellung des LTR6
6. LTR6 ein-mitte-aus
Schalter mit Mittelstellung
Schalter im Module Space
Modi der Steuerung des LTR6
7. Drehen rechts / links
Schiebepoentiometer waagerecht
6014 Mitte Oben
Für Shinkai und Jialong wichtig
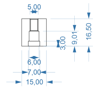
Nachdem das Kreuzknüppelmodul ausgebaut war wurden erst mal alle Eckdaten vermessen und dokumentiert. Der Zeichnung kann man alle relevanten Daten entnehmen. Als Poti habe ich einen noch vorhandenen 5kOhm Poti verwendet, mit 7mm Befestigungsbohrung und AufsatzØ 6mm. Als Steuerrad habe ich ein Teil von "battlecrafts" aus Großbritannien verwendet, ein Steuerad mit 50mm Durchmesser aus Zinkdruckguss. Der Innendurchmesser von 5mm hat bei mir noch eine 90° Senkung bekommen für eine Senkschraube M5. Die Platte aus Polistyrol habe ich gemäß Zeichnung gefertigt. Das Zwischenstück zwischen Potiachse und Steuerrad habe ich on the fly aus einem Stück runden Plexiglas gefertigt. Auch hierzu die Zeichnung anbei. Es ergab sich dazu eine Höhe des Steuerades über der Anlage von 25mm, was ich zuerst etwas hoch empfand. Im nachhinein denke ich, ist das eine gute Arbeitshöhe, da man auch feinfühlig mit dem Poti steuern kann. Ansonsten müsste man die Potiachse um 4-5mm einkürzen, damit das ganze etwas tiefer kommt. Oder jemand lässt sich was ganz neues einfallen.




Layout des mittleren Moduls mit Schiebepotis:
Hier war zunächst etwas mehr Aufwand nötig. Die Originale Schiebepotis haben einen Schiebeweg von 30mm. Ich habe passende Potis bei Mouser Electronics (mouser.de) gefunden. Die von mir gewählte Version mit LED ist die folgende: PTL 30 - 10 R 1 - 502 B2. Natürlich kann man sich auch die Potis ohne LED beschaffen. Auf der Webseite kann man sich da das gesuchte locker selbst raussuchen und nach Verfügbarkeit bestellen. Für den normalen Bereich wäre der Typ "Bourns PTA3043-2010CIB502" wohl genau richtig, ohne LED. Hier ist genau auf die Spezifikation des Bauteiles zu achten, da der Hebel eine neuere Ausführung als der Standard hat, hier ist dieser Isoliert, und stärker als beim Standard. Hier passen dann meist die handelsüblichen Knöpfe nicht oben drauf. Also genau hinschauen und ggf. mit anderen Anbietern vergleichen. Jedenfalls ist die restliche Bauform passend und die Löcher für Gewinde und der Lochraster passen.
Ich habe dann mittels CorelDraw meine Potis gemäß Lochraster auf die 80mm x 76mm passend verteilt. Es hätten auch 5 Potis senkrecht neben einander gepasst, was aber mit der Lochrasterplatine recht eng wird. Der fünfte Poti kommt halt waagerecht oben drüber, oder nach unten, je nach Geschmack, man kann die Platte auch drehen, was 1mm Unterschied macht, oder halt anpassen wer mag. Ich wollte noch etwas Platz für die Beschriftung später haben, darum nur 4 senkrecht. Gemäß Lochraster 2,54mm wurden dann die Potis ausgerichtet und die obere Platte aus Polistyrol geplant. Nr. 5 kam passend und mittig darüber. Dann wurde das ganze bemaßt und ausgedruckt. Den Druck habe ich dann mit einem Klebestift auf die vorgearbeitete Platte geklebt und mittels Reißnadel die Bohrungsmitten eingedrückt. Für die Mitte der Potiwege habe ich noch mit einem Messer die Mitten eingeritzt. Dann wurde erst mal alles vorsichtig und langsam gebohrt. Mit 500 1/min erst mit 1,5mm dann die weiteren Durchmesser vorsichtig nachgebohrt. Auf keinen Fall den Bohrer heiß werden lassen, viel mit Wasser kühlen, und sich Zeit lassen. Und wenig Vorschub, ganz sachte, und oft wieder den Bohrer aus dem Loch raus lassen. Späne so oft wie möglich weg pusten, oder mit einem Pinsel entfernen. Meine Potis sind am Hebel 2mm stark. Ich habe in der Zeichnung als Spalt 3mm vorgesehen. Gebohrt wurde jeweils am Ende mit 2mm, und danach wurde mittels Laubsäge knapp neben dem Strich das innere ausgesägt. Anschließend noch mit Nadelfeilen das ganze innen etwas schlichten, und danach konnte der erste Poti beweisen, das er unter die Platte passt, und der Weg sauber ist. Dann wurden noch vorsichtig die Senkungen für die Montagebohrungen der Potis von Hand mit einem kleinen Senker eingebracht. Nur soweit, das die Oberkante der Schraube mit dem Kunsstoff plan ist. Hier verwendete Schrauben M2 x 4mm Senkschraube mit Torx T6.
Wie nun hier alle Potis soweit passten ging es dann an die beiden Lochrasterplatinen, die ich schon mal vorbereitet hatte. Verwendet wurde eine vorhandene Europa-Karte mit Längsverbindung. Die eine 49,5 x 58,6mm, die zweite 56,6 x 16,0mm. Kupferstreifen zur Längsachse. Mit anderen Worten 3 Potis a 4 Löcher plus zwei Löcher, der letzte bekommt nur eines dazu. In Längsrichtung habe ich 2 Löcher überstehen lassen. In der Zeichnung habe ich die beiden Platinen passend zueinander dargestellt, also oben ein Loch mehr. Aber sonst egal. Dann habe ich mit dem Dremel erst mal beide Platinen in der mitte die Kupferstreifen getrennt. Für die Stromversorgung der LEDs habe ich dann den passenden Widerstand 390 Ohm an der jeweiligen Ecke beim Emitter eingelötet, und dann passend unter dem Kunststoff der Ports die Querverbindungen aus Drahtbrücken eingelötet. Somit wurden die Stromversorgung sicher gestellt. Die Anschlüße der Potis selbst wurden aus Servokabel hergestellt, die lötseitig direkt in der mitte verlötet wurden. Die Servostecker wurden anschließend durch die 5-polige Variante ausgetauscht, damit diese im Sender angeschloßen werden können. Zum Schluß wurden noch die Polistyrolplatte in Schwarz seidenmatt lackiert. Ich habe da leider nicht die richtige Wahl getroffen. Der von mir erwischte Lack von Obi ist nicht so kratzfest, wie ich es erhofft habe. Aus Erfahrung empfehle ich da DupliColor, der ist etwas teurer, aber hat dafür genau die passenden Eigenschaften. Wichtig ist vor allem, die Polistyrolplatten ordentlich anzuschleifen, damit der Lack auch gut haften kann.




Um ein gleichmäßiges Bild der Verschraubungen der Anlage zu bekommen habe ich alle Deckschrauben in M3 Senkschrauben ausgeführt, das sieht besser aus und vereinfacht die Montage. Einige Bohrungen müssen dazu im Allu etwas nachgesenkt werden, aber das stellt ja soweit kein Problem dar.
Nebenbei bemerkt. Um die Platte in der Mitte gleich denen rechts und links einzubauen, so ist die Senderplatine auch neu mit M3 Senkschrauben auszuführen, und das Gehäuse entsprechend nachzuarbeiten. Hier hätte man durchaus auch Produktionskosten sparen können, wenn alle Einbauten gleich ausgeführt worden wären. Naja, manche Menschen legen sich halt selbst die Karten.
Ich habe alle Darstellungen und Zeichnungen nach meiner durchgeführten Produkterstellung ausgeführt. Wer das nachbauen möchte kann sich soweit daran halten, aber es ist grundsätzlich zu prüfen, ob das alles auch stimmt. Keine Gewähr auf Fehlerfreiheit oder Garantie, das es funktioniert! Die Stromversorgung der LEDs wurde direkt auf der Hauptplatine hinter dem Schalter abgenommen, und wird über einen Steckverbinder an die Potis angeschlossen. Ich denke noch über einen Poti zum dimmen nach. So wie oben sieht der Umbau stand 21.12.2019 aus. Werde dann mal den ganzen Sender wieder schön zusammen bauen.
Falls es etwas Neues dazu giebt wird das hier demnächst zu lesen sein!